Hot Induction Bends Manufacturer

High-strength bends engineered for critical piping applications

Hot Induction Bends
Product Overview

High Quality Hot Induction Bends

Hot induction bends are manufactured using advanced induction heating technology, allowing precise bending of pipes without compromising material strength or integrity.

These bends are widely used in pipelines, power plants, and petrochemical industries where high strength, smooth flow, and long-term durability are essential.

High Strength
Smooth Flow
Custom Radii
Long Service Life
Technical Details

Hot Induction Bends Specifications

Pipe Diameter (O.D) min. 2” (60.3 mm); max. 60” (1524 mm)
Seamless Bend (1/2″ – 24″)
ERW / Fabricated / Welded Bend (2″ – 36″)
Radius min. 100 mm; max. 11000 mm
Wall Thickness max. 200 mm
Hot Bend Heating System max. 1030 KW
Bending Capability 15,000 metric tons per year
Wall Thickness Range 3mm – 40mm
SCH5, SCH10, SCH20, SCH30, SCH40, STD,
SCH60, SCH80, XS, SCH120, SCH140, SCH160, XXS
Pipe Bend Radius R = 1D, 2D, 3D, 5D, 6D, 8D, 10D or Custom
Straight Length (L) 300mm and 1500mm
Pipe Bend Angle 0° – 180°
Hot Induction Bend Manufacturing Standards DIN, ASTM, ASME, MSS, EN, JIS

ASME: ANSI B16.9, ANSI B16.28, MSS-SP-43
DIN: DIN2605, DIN2615, DIN2616, DIN2617, DIN28011
EN: EN10253-1, EN10253-2
Pipe Bend Standards ASTM A403 / ASME SA403 – Wrought Austenitic Stainless Steel Fittings
ASME B16.9 – Factory-Made Wrought Buttwelding Fittings
ASME B16.25 – Buttwelding Ends
ASME B16.28 – Short Radius Elbows
MSS SP-43 – Low Pressure Corrosion Resistant Fittings
ASME B16.49 – Factory-Made Carbon Steel Pipe Bends
Production Grades Carbon Steel, API 5L, ASTM A106 Grade B
Stainless Steel, Alloy Steel, Duplex & Super Duplex
Nickel Alloys, Inconel, Monel, Hastelloy
Copper, Cupro Nickel, Low Temperature Steel
Value Added Services Epoxy / FBE Coating
Hot Dipped Galvanizing
Electropolishing
Sand Blasting
Threading, Soldering
Pickling & Passivation
Material Grades – Stainless Steel ASTM A403 WP304 / 304L
ASTM A403 WP316 / 316L
ASTM A182 F304L / F316L
DIN 1.4301, 1.4306, 1.4401, 1.4404
Material Grades – Carbon Steel ASTM A234 WPB, WPBW
WPHY 42, 46, 52, 60, 65, 70
Material Grades – Alloy Steel ASTM / ASME A/SA 234
WP1, WP5, WP9, WP11, WP12, WP22, WP91
Material Grades – Nickel Alloys UNS 2200 (Nickel 200), UNS 2201 (Nickel 201)
UNS 4400 (Monel 400), Alloy 20 (CB3)
Inconel 600, 601, 625, 825
Hastelloy C276
Duplex & Super Duplex ASTM A815 / ASME SA815
UNS S31803, S32205, S32750, S32950
Werkstoff No. 1.4462
Manufacturing Capabilities Multi-radius bending (2D, 3D, 5D)
Pre-fabrication of high-pressure piping systems
Heat treatment (normalizing, stress relieving, tempering, quenching)
End preparation (weld end, plain end, tapering)
Grit blasting, painting, coating
Internal & external coating (FBE, PE, PP, concrete)
Inspection (ASTM A420 WPL3) Surface inspection (die marks, dents, porosity, undercuts)
Dimensional checks (OD, ID, thickness, radius)
Marking Sample 12″ SCH40 90° 3D SMLS ASTM A420 WPL3 ASME B16.9
Export Markets UK, USA, Germany, UAE, Singapore, Malaysia, Philippines,
Saudi Arabia, Indonesia, Qatar, Vietnam, Australia,
Korea, Nigeria and many others

ISO 15590-1 Induction Bends Dimensions

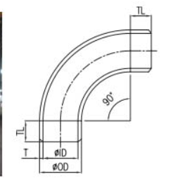
Hot Induction Bend STD (Sch 40)

Hot induction bends with standard wall thickness (Schedule 40) are engineered to deliver consistent strength, smooth internal flow, and high reliability in pipeline systems. These bends are widely used across oil & gas, power, and process industries where dimensional accuracy and performance are critical.

Hot Induction Bend
Induction Bend Manufacturing
Pipeline Induction Bend
ASME B16.9 / PFI STD ES-24
(Unit: inch)
👉 Swipe to view table →
Nominal Pipe Size Outside Diameter (OD) Inside Diameter (ID) Wall Thickness (T)
1/20.8400.6220.109
3/41.0500.8240.113
11.3151.0490.133
1 1/41.6601.3800.140
1 1/21.9001.6100.145
22.3752.0670.154
2 1/22.8752.4690.203
33.5003.0680.216
3 1/24.0003.5480.226
44.5004.0260.237
55.5635.0470.258
66.6256.0650.280
88.6257.9810.322
1010.75010.0200.365
1212.75012.0000.375
1414.00013.2500.375
1616.00015.2500.375
1818.00017.2500.375
2020.00019.2500.375
2222.00021.2500.375
2424.00023.2500.375
2626.00025.2500.375
2828.00027.2500.375
3030.00029.2500.375
3232.00031.2500.375
3434.00033.2500.375
3636.00035.2500.375
3838.00037.2500.375
4040.00039.2500.375
4242.00041.2500.375
4444.00043.2500.375
4646.00045.2500.375
4848.00047.2500.375
Hot Induction Bend XS (Sch 80)

Hot induction bends with extra strong wall thickness (Schedule 80) are designed for higher pressure and demanding applications. These bends offer enhanced strength, durability, and resistance to stress, making them ideal for critical pipeline systems in oil & gas, petrochemical, and power industries.

Hot Induction Bend XS
Induction Bend Manufacturing
Pipeline Induction Bend XS
ASME B16.9 / PFI STD ES-24
(Unit: inch)
👉 Swipe to view table →
Nominal Pipe Size Outside Diameter (OD) Inside Diameter (ID) Wall Thickness (T)
1/20.8400.6220.109
3/41.0500.8240.113
11.3151.0490.133
1 1/41.6601.3800.140
1 1/21.9001.6100.145
22.3752.0670.154
2 1/22.8752.4690.203
33.5003.0680.216
3 1/24.0003.5480.226
44.5004.0260.237
55.5635.0470.258
66.6256.0650.280
88.6257.9810.322
1010.75010.0200.365
1212.75012.0000.375
1414.00013.2500.375
1616.00015.2500.375
1818.00017.2500.375
2020.00019.2500.375
2222.00021.2500.375
2424.00023.2500.375
2626.00025.2500.375
2828.00027.2500.375
3030.00029.2500.375
3232.00031.2500.375
3434.00033.2500.375
3636.00035.2500.375
3838.00037.2500.375
4040.00039.2500.375
4242.00041.2500.375
4444.00043.2500.375
4646.00045.2500.375
4848.00047.2500.375
Hot Induction Bend Sch 20, 60, 100, 120, 140, 160, XXS

Hot induction bends are available in a wide range of wall thickness schedules, including Sch 20, 60, 100, 120, 140, 160, and XXS, to meet varying pressure and service requirements. These heavy and extra-heavy schedules provide enhanced mechanical strength, superior load-bearing capacity, and long-term durability in critical pipeline systems across oil & gas, petrochemical, and power industries.

Hot Induction Bend Heavy Schedule
Induction Bend Manufacturing Process
Heavy Wall Induction Bend
ASME B16.9 / PFI STD ES-24
(Unit: inch)
👉 Swipe to view table →
Nominal Pipe Size Outside Diameter (OD) Wall Thickness T Wall Thickness T
Sch 20 Sch 60 Sch 100 Sch 120 Sch 140 Sch 160 XXS
1/20.840-----0.1880.294
3/41.050-----0.2190.308
11.315-----0.2500.358
1 1/41.660-----0.2500.382
1 1/21.900-----0.2810.400
22.375-----0.3440.436
2 1/22.875-----0.3750.552
33.500-----0.4380.600
44.500---0.438-0.5310.674
55.563---0.500-0.6250.750
66.625---0.562-0.7190.864
88.6250.2500.4060.5940.7190.8120.9060.875
1010.7500.2500.5000.7190.8441.0001.1251.000
1212.7500.2500.5620.8441.0001.1251.3121.000
1414.0000.3120.5940.9381.0941.2501.406-
1616.0000.3120.6561.0311.2191.4381.594-
1818.0000.3120.7501.1561.3751.5621.781-
2020.0000.3750.8121.2811.5001.7501.969-
2222.0000.3750.8751.3751.6251.8752.125-
2424.0000.3750.9691.5311.8122.0622.344-

5D Induction Bend Dimensions

5D induction bends are manufactured with a bending radius equal to five times the nominal pipe diameter (R = 5D). These bends provide smoother flow characteristics, reduced pressure drop, and improved stress distribution, making them ideal for long-distance pipelines and high-performance industrial applications.

5D Induction Bend
5D Bend Diagram
5D Induction Bend Dimensions
👉 Swipe to view table →
Nominal Size Wall Thickness (mm) Bend Radius Centre to Face (X & Y)
STD WT XS
50 (2 NB)3.915.54250As required
65 (2½ NB)5.167.01325As required
80 (3 NB)5.497.62400As required
90 (3½ NB)5.748.08450As required
100 (4 NB)6.028.56500As required
125 (5 NB)6.559.53625As required
150 (6 NB)7.1110.97750As required
200 (8 NB)8.1812.701000As required
250 (10 NB)9.2712.701250As required
300 (12 NB)9.5312.701500As required
350 (14 NB)9.5312.701750As required
400 (16 NB)9.5312.702000As required
450 (18 NB)9.5312.702250As required
500 (20 NB)9.5312.702500As required
600 (24 NB)9.5312.703000As required

Hot Induction Bend Weight Calculation

Check induction bending process and dimensions carefully to ensure accurate weight estimation. Always compare our pricing with other hot induction bend manufacturers in India for the best value and quality.

Weight Calculation Formula of 5D Bend

W = 0.0387 × S × (D − S) × 5 × D / 1000
W = Weight (kg per piece)
S = Wall Thickness (mm)
D = Nominal Diameter (mm)
5D = Bend Radius (5 × Diameter)
5D Bend Weight calculation helps in estimating material cost, logistics, and project planning efficiently.

3D Induction Bend Dimensions

3D induction bends are manufactured with a bending radius equal to three times the nominal pipe diameter (R = 3D). These bends provide a compact design with efficient flow characteristics, making them ideal for space-constrained piping systems while maintaining structural integrity and performance.

3D Induction Bend Main View
3D Bend Product
3D Bend Diagram
Pipeline 3D Bend
GB/T 12459, GB/T 13401, ASME B16.9 Dimensions
👉 Swipe to view table →
DN NPS OD (mm) Center to End Center to Center Back to Face
90° (A) 45° (B) 180° (O) K
3D 3D LR SR LR SR
151/221.3--76-48-
203/426.7572476-51-
25133.4763176515641
3242.2953995647052
4048.311447114768362
50260.31526315210210681
6573.019079190127132100
80388.922995229152159121
90101.6267111267178184140
1004114.3305127305203210159
1255141.3381157381254262197
1506168.3457190457305313237
2008219.1610252610406414313
25010273.0762316762508518391
30012323.8914378914609619467
35014355.610674411067711711533
40016406.412195051219813813610
45018457.013725681372914914686
50020508.01524632152410161016762
55022559.01676694167611181118838
60024610.01829757182912191219914
Difference Between Hot Bend and Cold Bend
Cold Bend Hot Bend
All types of bending without heat Type of hot induction bending for precise dimensions
Low cost Higher cost compared to cold bending
Bend to radical angles is not possible Can be bent easily to required angles
Suitable for small bore piping Used for large diameter piping systems
Coating of ASTM A106 Gr.B Induction Bends
Phenolic Epoxy Coating Food Grade Epoxy Coatings
3LPE Coating Fusion Bonded Epoxy Coating (FBE Coating)
Internal & External Coating Halar Coatings
Glass Flake Coatings Any Liquid Epoxy Coating
PTFE Coating Elastomeric Polyurethane Coating
Induction Bends Material
Material Grades for Hot Induction Bends

Stainless Steel

ASTM A403 WP304 / 304L, WP304H, WP316, WP316L,
WP310, WP317, WP321

Duplex Steel

ASTM A815 UNS S31803, S32205, S32550,
S32750, S32760

Carbon Steel

ASTM A234 WPB, A860 WPHY42, 52,
60, 65, 70

Low Temperature Carbon Steel

ASTM A420 WPL3, WPL6, WPL9

Alloy Steel

ASTM A234 WP1, WP5, WP9, WP11,
WP12, WP22, WP91

Applications & Industry Use

Hot induction bends are widely used in oil & gas, petrochemical, power plants, and pipeline projects requiring high strength and durability.

Hot Induction Bends Features and Benefits

Better Mechanical Strength & Properties

This method preserves and enhances the mechanical properties of the pipe, providing superior strength compared to cold-formed or welded bends.

Reduced Weld & NDT Costs

Minimizes the number of weld joints, thereby reducing non-destructive testing (NDT) costs and lowering the risk of defects in the piping system.

Rapid Manufacturing

Hot induction bending is a fast and precise process, enabling efficient production with minimal errors and high dimensional accuracy.

Induction Bend Tangent Length

Bend Angles

  • 30° Bend
  • 45° Bend
  • 90° Bend

Bending Radius

Available in multiple radii such as 3D, 5D, 7D, and 10D, where “D” represents the nominal diameter of the pipe.

Size Range

2″ – 48″ (DN50 – DN1200)

Manufacturing Types

  • Seamless: DN50 – DN1200
  • Welded: DN50 – DN1200

Standards & Specifications

Long radius (R = 1.5D) and short radius (R = 1D) bends are manufactured as per ASTM standards. Available configurations include 1.5D, 2D, 3D, 4D, 5D, 6D, 7D, 8D, 9D, and 10D pipe bends.

Materials include ASTM A420 WPL6 seamless bends, ASTM A860 WPHY42 high-strength pipe bends, and ASTM A106 Grade B elbows widely used in industrial applications.

Types of Induction Bend
HSS Induction Bending
A234 WPB 5D Induction Bends
Induction Beam Bending
Welded Hot Induction Bend
Cold Induction Bend
Pipeline Induction Bend
Buttweld Hot Induction Bend
Grade X80 Induction Bend
ANSI B16.9 Hot Induction Pipe Bend
ASME B16.28 Buttweld Induction Bend
45° Induction Bend
90° Hot Induction Bend
Types of Induction Bend
Types of Induction Bend
HSS Induction Bending

HSS Induction Bending

A234 WPB 5D induction bends

A234 WPB 5D induction bends

Induction Beam Bending

Inductions Bends Packing

Welded Hot Induction Bend

Welded Hot Induction Bend

Cold Induction Bend

Cold Induction Bend

Pipeline Induction Bend

Pipeline Induction Bend

Buttweld Hot Induction Bend

Buttweld Hot Induction Bend

Grade X80 Induction bend

Grade X80 Induction bend

ANSI B16.9 Hot Induction Pipe Bend

ANSI B16.9 Hot Induction Pipe Bend

ASME B16.28 Buttweld Hot Induction Bend

ASME B16.28 Buttweld Hot Induction Bend

45 Degree Induction Bend

45 Degree Induction Bend

90 Degree Hot Induction Bend

90 Degree Hot Induction Bend

Hot Induction Bend Weight
👉 Swipe to view table →
Size Wall Thickness Radius Approx. Weight (kg)
DN Inch OD (mm) S (mm) R (mm) e (mm) 45° 90°
251301.530120.030.05
32381.532.5140.030.08
4044.51.540170.060.14
502571.552.5220.100.20
6576270290.230.46
80389282.5340.320.64
10041082.5100410.581.16
12551332.5125520.901.80
15061592.5150621.302.60
17571943180751.903.80
20082193210873.006.00
2501026732551064.448.88
3001232443051268.5517.10
350143684352.514611.3022.60
40016419440016616.4032.80
450184574.545718920.4540.90
50020508550821028.1056.20
60024610561025340.5081.00
70028711671129566.00132.00
80032813681333786.50173.00
900369148914379145.50291.00
Induction Bending Services
  • S-Bends & Complex 3D Bending
  • Pipe Bending up to 30" Diameter
  • HSS Bending up to 24" × 24"
  • Carbon, Stainless & Alloy Materials
  • Structural Bending up to 30" Depth
  • Continuous Bends up to 54' Length
  • Qualified Welding
  • Hydro Pressure Testing up to 700 Bars
  • 3D Robot Cutting
  • Surface Treatments
  • Heat Treatments (Normalizing, Stress Relieving, Quenching & Tempering)
  • Standards: EN14870 / EN12952 / EN1090-2 / EN13480
  • Welding Preparation
  • Destructive & Non-Destructive Testing (NDT)
Hot Induction Bends Capabilities
👉 Swipe to view table →
Induction Bending Machine IB Mc 1 IB Mc 2 IB Mc 3
Size of Pipe 3" – 14" 4" – 36" 4" – 48"
Bending Radius (mm) 1780 4575 7320
Thickness (mm) 5 – 50 (Up to 14" Dia Pipe) 6 – 36 (For 26" – 36" Dia Pipe) 8 – 32 (For 38" – 48" Dia Pipe)
👉 Swipe to view table →
Induction Bend Radius Chart
Gauge Induction Bend Radius Includes Minimum Closeness of Cutout to Bend Induction Bend Radius (Refers to Inner Radius)
11 gauge (0.120" | 3.05 mm) 5" .07", .08", .09", .10", .125"
14 gauge (0.075" | 1.9 mm) 2.75", 3.75", 5", 1.375" .05", .055", .062", .07", .075", .105"
16 gauge (0.060" | 1.52 mm) 2", 2.65", 3.75", 5" .035", .05", .055", .075", .08", .105", .12"
18 gauge (0.048" | 1.22 mm) 2", 2.65", 3.75", 5" .04", .045", .05", .06", .07", .08", .085", .1", .125", .115", .12"
20 gauge (0.035" | 0.89 mm) 2", 2.65", 3.75" .05", .06", .07", .095"
22 gauge (0.029" | 0.74 mm) 2", 2.65" .05", .04", .08"
24 gauge (0.024" | 0.61 mm) 2", 2.65" .04", .08"
In all types of dimensions and lengths
Hot Bend Standards
ISO 15590-1

Induction bends for petroleum and natural gas industries, including fittings and flanges for pipeline transportation systems.

AS 2885

Standards for gas and liquid petroleum pipeline systems.

DNV-OS-F101

Offshore standard for submarine pipeline systems ensuring structural integrity and safety.

ASME B31.1

Code for power piping systems used in industrial and energy applications.

ASME B31.3

Standards for process piping systems in chemical and industrial plants.

ASME B31.4

Pipeline transportation systems for liquids and slurries.

ASME B16.49

Factory-made, wrought steel buttwelding induction bends for transportation and distribution systems.

AS 4041

Pressure piping standards for industrial applications.

Induction Bend Pipe Length Calculation

Pipe Length Diagram
Pipe Length Formula
Finding Length of Pipe in Standard Bends
Length of Arc = No. of Degrees × 0.01745 × Radius of Bend
Angle (Degrees) Multiply Radius By
Angle Angle Factor Factor
22.51500.3932.618
301800.5243.142
452100.7853.665
602401.0474.189
902701.5714.712
112.53001.9635.236
1203602.0946.283
1355402.3569.425
Looking for Induction Bends manufacturers in India? Complete hot bend pipeline solutions including induction bending machines, process, and dimensions.
Hot Bend Pipeline specification
Material: Carbon Steel, Low Alloy, API 5L, A106, A335, A333, A312, bi-metal alloys.
Size Range Tolerance
OD: 2" to 60" -1 ~ +2 mm
Hot Bends radius: R ≥ 3D
WT: 3 to 60 mm
WT thinning: R ≥ 3D <13%
R = 4D <11%
R = 5D <9%
R = 6D <8%
Induction Bending angle: 0~180 deg ±0.5 deg
Hot formed bends velocity: ±2.5 mm per min
Induction Bending temperature: ±10°C from the qualification temp.
Induction Bends ovality: <2.5%
Induction Bends Tangent ovality: <0.8%
ID welding ends NPS<36" ±2.5 mm
ID welding ends NPS>36" ±3 mm
R = Radius • D = Diameter • OD = Outside Diameter • ID = Inside Diameter
Dynamic Forge & Fittings (I) P. Limited has exported Hot Induction Bend to these locations recently:
ASTM 234 BEND 90 DEGREE Model 3D, 4D, 5D, Schedule 40 Russia, Philippines, Belgium, Dammam - KSA
MSS SP-75 GR.WPHY-52 3D Bend, ASME B16.9 Iran, Europe, Thailand, Norway
ASTM A234 WPB Bend Long Bend Radius 1.5D, 3D and 4D Qatar, Thailand, Malaysia, Libya
HOT FORMED MANDREL TYPE BEND United States, Bangladesh, Finland, India
3D BEND 90 DEGREE Saudi Arabia, Kuwait, Brazil, South Africa
Carbon Steel Long Radius (3D / 5D / 7D) bend South Korea, Turkmenistan, Singapore, Malaysia
3LPP Coating 5D and 3D bend Indonesia, UK, United Arab Emirates, Philippines
ASTM A234 WPB SCH.40 90 DEG 3D bend France, Venezuela, UAE, Oman
API 5L Gr B Induction hot 3D bend Ukraine, Iran, Nigeria, Chile
16" OD PIPE BEND, 5D 8 inch Sch40 Seamless 90 Degree Bend ASTM A106B ASME B16.9 Azerbaijan, Romania, Algeria, Netherlands
SCH 80 3D 90 DEGREE BEND STPG 410 JIS G3454 Seamless BE Iraq, Malaysia, Singapore, Egypt
SS316 Schedule 10S 3D bend Netherlands, Myanmar, Indonesia, United Kingdom - UK
Carbon Steel ASTM A234-WPB 3D Butt Weld Bend 90 degree DN450 Australia, Mozambique, China, Sweden
SCH80 API 5L X42 FBE COATED, 3D BEND, 90 DEGREE Malaysia, Kazakhstan, Philippines, Vietnam
ASTM A234, 3D BEND, 45 Degree Italy, Egypt, Malaysia, Philippines
45° 3D Sweep bend LR Gr PE100 Turkey, Canada, Dubai, Europe
Schedule 40 A234 WPB 3D Bend Europe, Norway, Malaysia, Australia
90 degree LR HOT INDUCTION BEND API 5L Malaysia, Uzbekistan, UAE, Malaysia
API 5L 6D Hot Induction bend, X-70, PSL2 Spain, Mexico, Kuwait, Oman

Contact Real Pipe Fittings

Get in touch with our team for product enquiries, quotations, and export requirements.

Contact Info

Dipen Jain
Sales Manager (Domestic & Export) & Managing Partner (E - sales@realfittings.com)

Rushab Babulal Shah
Production Head & Managing Partner (E - rbm@realfittings.com)

+91 9920793947

Plot No. 26 to 29, Survey No. 54/1, R K Industrial Park, Phase 1, Nr. Hirasar City : Rajkot - 360023 India

rbm@realfittings.com

Send Enquiry

© 2026 Real Pipe Fittings. All Rights Reserved.